產品
全站
關於我們
關於我們
製造
品質
經營理念
品質政策
環安衛政策
最新消息
展覽
活動
技術資源
技術資訊
技術提示
產品符合性聲明書
新品目錄
新產品
聯絡我們
搜尋:
產品
全站
English
中文
日本語
插式閥
單向閥
2 孔
3孔與4孔
抗衡閥
3孔 非透氣型
3孔 非透氣型,不可調
3孔 透大氣型
無輔助導壓,3口插孔
4孔 透氣型
方向閥
2 通
3 通
4 通
濾網型插裝閥
流量控制閥
2 孔
3孔與4孔
分流/集流閥
手動泵浦
鎖入式閥件
負載控制閥
負載反應控制閥
全平衡型負載控制閥
邏輯閥
3 孔
4 孔
導壓級閥
氣導式
常閉
常開
比例放大器
減壓閥
減壓/洩壓閥
3 孔
4 孔
洩壓閥
2 孔
3 孔
4 孔
順序閥
2 孔
3 孔
4 孔
梭動閥
特殊閥
全部金屬元件不鏽鋼
單向閥
抗衡閥
流量控制閥
減壓閥
洩壓閥
順序閥
電磁閥
提動軸型電磁方向閥
常閉型
常開型
直動型提動軸 3口2位閥
防爆型線圈及磁管
滑軸型電磁方向閥
2口2位
3口2位
4口2位
4口3位
5口3位
6口2位
全部金屬元件不鏽鋼
比例閥
減壓閥
洩壓閥
2 孔
3 孔
4 孔
減洩壓閥
3 孔
4 孔
流量控制閥
2 孔
3 孔
4 孔
方向閥
邏輯閥
比例放大器
小型動力單元
W80 標準型系列
W81 小型系列
W82 登車橋系列
W83 高低壓雙泵浦特殊型系列
W84 高低壓雙泵浦標準型系列
W85 雙聯泵浦系列
W87 出油節流附卸載系列
TG-168 四軸尾門系列
WL-214 輪椅或貨物升降系列
SBT 系列
技術性資訊
閥塊
MH 積層式油路板
ISO 03
ISO 05
ISO 05-X Y
ISO 07
ISO 08
MK 積層蓋板式油路板
ISO 03
ISO 05
ML 標準配管式油路板
A 系列
E 系列
M 系列
W 系列
複合迴路系列
MM 油壓馬達直結油路板
電子元件
線圈
不含突波抑制器
內含突波抑制器
線圈使用注意事項
電氣插頭
位置感測開關
比例放大器
配件
插式閥輔助裝置
電磁方向閥附件
成型孔
成型孔塞頭
成型孔轉接頭
插式閥
選擇
單向閥
抗衡閥
方向閥
濾網型插裝閥
流量控制閥
分流/集流閥
手動泵浦
鎖入式閥件
負載控制閥
邏輯閥
導壓級閥
氣導式
比例放大器
減壓閥
減壓/洩壓閥
洩壓閥
順序閥
梭動閥
特殊閥
全部金屬元件不鏽鋼
US Units
|
Metric Units
技術數據
產品描述
性能曲線圖
應用迴路
技術資訊
檔案
請留意:資訊可能會隨著配置變更,請見上方配置欄位
成型孔
31A-4
額定流量
10.57 gpm
40 L/min
導壓流量
0.1 gpm
0.38 L/min
額定壓力
5000 psi
350 bar
插式閥外六角邊尺寸
7/8 in.
22.22 mm
插式閥安裝扭矩
30 - 37 lbf-ft
40 - 50 Nm
重量
0.38 lbs
0.17 kg
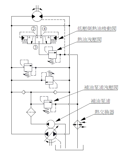
此閥為滑軸結構、低壓側、三位、熱油梭動閥,設計為引導流量,以便讓較高的壓力信號打開較低壓力的端並將其連接到共同出油口。當口2的壓力等於口4的壓力時,閥件保持在中心位置,所有孔口都被封閉。當口2或口4的壓力高於另一個孔口時,對應的孔口將連接到口3(共同出油口)。此閥通常用於閉式油路系統中低壓側的熱油導引出去,可以過濾系統中的汙染物或是將工作產生的熱能冷卻。雖為4口閥,但口1不使用。
作動零件採用高精度製造,使用壽命長、低內漏。
適合不同應用的各種密封件材料,請參閱技術參考下的密封件資訊。
Winner插式閥壓力等級經過測試,符合NFPA規範T2.6.1標準,疲勞等級中的保證和驗證等級為"90/90"。
WINNERcoat
®
鋅鎳鍍層根據DIN EN ISO 9227進行了長達1000小時的鹽霧測試。
Winner保證所有產品在出貨前都經過100%的功能測試。
技術資訊:
液壓油黏度
液壓油清潔度
液壓油溫度
Winner線圈使用注意事項
插式閥保證資訊
技術數據聲明
疲勞及爆破壓力測試標準
節流孔 vs. 壓降曲線圖
閥件於鑄鐵油路板組裝及拆卸要點
管路內徑計算
油封資訊:
兩種方式訂購"油封修理包"
插式閥油封材質選配
PDF檔
DS31A4L-N.STEP
無現貨,
預訂請留言
首頁
產品介紹
插式閥
梭動閥
低壓側,三位,熱油梭動閥