カートリッジ弁
FILTER
空気制御
| 油圧図記号 | 種類 | ||||||||
|---|---|---|---|---|---|---|---|---|---|
|
Pneumatic operated, poppet, 2-way, normally closed | 注文番号 | 流量(l/min) | 圧力(bar) | キャビティ | AP-X-21-Y-Z | - | 350 | - |
|
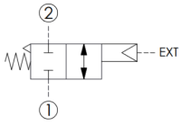
Pneumatic operated, poppet, 2-way, normally open | 注文番号 | 流量(l/min) | 圧力(bar) | キャビティ | AP-X-22-Y-Z | - | 350 | - |
|
Normally-closed, double-lock, pneumatic operated bi-directional. direct-acting | 注文番号 | 流量(l/min) | 圧力(bar) | キャビティ | AP-8A-21-14-Z | 1 | 350 | 8A-2 |
