製品
サイト全体
会社案内
会社概要
製造
品質主張
事業理念
品質方針
環境安全衛生方針
ニュース
Exposition
Events
技術リソース
Technical Information
Technical Tips
Declaration of Conformity
新製品
製品カタログダウンロード
新製品
お問い合わせ
検索:
製品
サイト全体
English
中文
日本語
カートリッジ弁
チェック弁
2ポート
3ポートと4ポート
カウンタバランス弁
3 Port Non-Vented
3 Port Non-Vented Fixed Setting
3 Port, Atmospherically Referenced
Without Pilot Assist 3 Port Cavity
4 Port, Vented
方向制御弁
2-way
3-way
4-way
ストレーナ式カートリッジバルブ
流量制御弁
2ポート
3ポートと4ポート
分流・分集流弁
ハンドホンプ
締めつけタイプ バルブ
ロード コントローラ ロード リーアクチブ
Load Reactive Load Control
Fully Balanced Load Control
ロジック弁
3ポート
4ポート
パイロットステージバルブ
空気制御
ノーマルクローズ
ノーマルオープン
比例増幅
減圧弁(レデューシング弁)
減圧/圧力リリーフバルブ
3 Ports
4 Ports
圧力リリーフバルブ
2 Ports
3 Ports
4 Ports
シーケンス弁
2 Ports
3 Ports
4 Ports
シャトル弁
特殊バルブ
金属部品は全てステンレス製
チェック弁
カウンタバランス弁
流量制御弁
減圧弁(レデューシング弁)
リリーフ弁
シーケンス弁
電磁弁
ポペットソレノイド式
ノーマルクローズ
ノーマルオープン
直動ポベット3方向2位置
爆発防止用コイルとチューブ
方向電磁弁ポッペトタイプ
Spool 2-Way 2-Position
Spool 3-Way 2-Position
Spool 4-Way 2-Position
Spool 4-Way 3-Position
Spool 5-Way 3-Position
Spool 6-Way 2-Position
金属部品は全てステンレス製
比例弁
減圧弁
リリーフ弁
2 Ports
3 Ports
4 Ports
減圧 ∕ リリーフ弁
3 Ports
4 Ports
流量制御弁
2 Ports
3 Ports
4 Ports
方向制御弁
ロジック弁
比例増幅
小型パワーユニット
W80 標準シリーズ
W81 小型シリーズ
W82 ドークレべラー シリーズ
W83 高低圧ダブルポンプ(特別)
W84 高低圧ダブルポンプ(標準)
W85 デュプレックスポンプシリーズ
W87 標準 マニホールド シリーズ
TG-168テールゲート シリーズ
WL-214 車椅子 或いは カーゴ シリーズ
SBT シリーズ
技術情報
マニホールド
MH サンドイッチ
ISO 03
ISO 05
ISO 05-X Y
ISO 07
ISO 08
MK カバー式マニーホルダー
ISO 03
ISO 05
ML 標準配管式マニーホルダー
A シリーズ
E シリーズ
M シリーズ
W シリーズ
複合回路シリーズ
MM 油圧モーター直結マニーホルダー
電子部品
コイル
Without TVS Diodes
With TVS Diodes
Winner Coil Using Notice
コンネックター
ポジションスイッチ
比例増幅
付属品
カトリジ弁オプション
電磁弁オプション
フォーミングホール
成形穴プラグ
変換アダプター
比例弁
選択
減圧弁
リリーフ弁
減圧 ∕ リリーフ弁
流量制御弁
方向制御弁
ロジック弁
比例増幅
US Units
|
Metric Units
技術データ
製品説明
性能曲線
アプリケーション例
技術リファレンス
ファイル
Note: Data may vary by configuration. See CONFIGURATION section.
Cavity
54A-6
Rated Flow
84.54 gpm
320 L/min
Maximum Operating Pressure
5000 psi
350 bar
Minimum Pilot Pressure Required to Shift Valve
50 - 115 psi
3.5 - 8 bar
Pilot Pressure Required for Full Shift to Rated Flow
360 psi
25 bar
Maximum Leakage Approximately
50 cc/min at 1000 psi
50 cc/min at 70 bar
Valve Hex Size
1-5/8 in.
41.2 mm
Valve Installation Torque
343 - 369 lbf-ft
465 - 500 Nm
Weight
5.43 lbs
2.47 kg
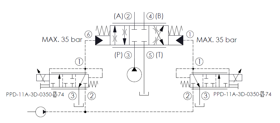
This is a direct-acting, spool-type, 4-way 3-position meter-in proportional directional valve. In center position, ports A, B, P and T are blocked. When pilot pressure at port 1 rises to overcome the spring bias against the spool, the valve shifts to allow orifice flow from P to B and from A to T, the flow is proportional to the pilot pressure (port 1). When pilot pressure at port 6 rises to overcome the spring bias against the spool, the valve shifts to allow orifice flow from P to A and from B to T, the flow is proportional to the pilot pressure (port 6). Pilot pressures at ports 1 and 6 directly oppose each other.
The minimum pilot pressure required to shift the valve is 3.5 – 8 bar (50 – 115 psi).
The pilot pressure required for full shift at rated flow is 25 bar (360 psi).
Normal operating pressures for ports 1 and 6 should not exceed 35 bar (500 psi).
Spool valves will have normal leakage due to spool clearance.
Working parts are heat-treated and high-precision ground to increase hardness for long life.
A variety of seal kit materials for different applications, see seals information under Technical Reference.
Winner's cartridges pressure rating tested to the standard of the NFPA specification T2.6.1 and the fatigue rating's assurance and verification level is “90/90”.
WINNERcoat
®
Zinc-Nickel Plating is salt spray tested in accordance with DIN EN ISO 9227 for up to 1000 hours.
Winner guarantees that all products performance a 100% functional test before shipment.
Technical Informations:
Hydraulic Fluid Viscosity
Hydraulic Fluid Cleanliness
Hydraulic Fluid Temperature
Winner Coil Using Notice
Cartridge Valve Warranty Information
Technical Data Statement
Fatigue and Burst Pressure Test Standard
Orifice vs. Pressure Drop Curves Chart
Note of Valves Assembling and Disassembling in Ductile Manifolds
Calculate of Pipe Diameter
Seals Informations:
Two Ways to Order "Seal Kits"
Cartridge Valve Seal Material Configuration
PDF ファイル
PDD54A6P22-N-320.STEP
Out of stock.,
お問い合わせ
ホーム
製品情報
比例弁
方向制御弁
4-way 3-position, blocked center