Cartridge Valves
FILTER
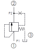
3-Port Logic Element
| Symbol | Description | ||||||||
|---|---|---|---|---|---|---|---|---|---|
|
Pilot-to-open, normally closed, balanced poppet, logic element | Main Code | Flow(l/min) | Pressure(bar) | Cavity | LB-11A-3S-Y-Z | 60 | 350 | 11A-3 |
| LB-2A-3S-Y-Z | 120 | 350 | 2A-3 | ||||||
| LB-17A-3S-Y-Z | 240 | 350 | 17A-3 | ||||||
| LB-19A-3S-Y-Z | 480 | 350 | 19A-3 | ||||||
|
Pilot-to-open, spring biased closed, unbalanced poppet logic element | Main Code | Flow(l/min) | Pressure(bar) | Cavity | LC-11A-3C-Y-Z | 60 | 350 | 11A-3 |
| LC-2A-3C-Y-Z | 120 | 350 | 2A-3 | ||||||
| LC-17A-3C-Y-Z | 240 | 350 | 17A-3 | ||||||
| LC-19A-3C-Y-Z | 480 | 350 | 19A-3 | ||||||
|
Pilot-to-closed, normally open, balanced poppet, logic element | Main Code | Flow(l/min) | Pressure(bar) | Cavity | LN-11A-3S-Y-Z | 60 | 350 | 11A-3 |
| LN-2A-3S-Y-Z | 120 | 350 | 2A-3 | ||||||
| LN-17A-3S-Y-Z | 240 | 350 | 17A-3 | ||||||
| LN-19A-3S-Y-Z | 480 | 350 | 19A-3 | ||||||
|
Unbalanced poppet, vent-to-open (spring biased closed, pilot source from port 1) | Main Code | Flow(l/min) | Pressure(bar) | Cavity | LO-11A-3A-Y-Z | 95 | 350 | 11A-3 |
| LO-2A-3A-Y-Z | 200 | 350 | 2A-3 | ||||||
| LO-17A-3A-Y-Z | 380 | 350 | 17A-3 | ||||||
| LO-19A-3A-Y-Z | 760 | 350 | 19A-3 | ||||||
| LO-19AB-3A-Y-Z | 1100 | 350 | 19AB-3 | ||||||
|
Unbalanced poppet, vent-to-open (spring biased closed, pilot source from port 2) | Main Code | Flow(l/min) | Pressure(bar) | Cavity | LO-11A-3B-Y-Z | 95 | 350 | 11A-3 |
| LO-2A-3B-Y-Z | 200 | 350 | 2A-3 | ||||||
| LO-17A-3B-Y-Z | 380 | 350 | 17A-3 | ||||||
| LO-19A-3B-Y-Z | 760 | 350 | 19A-3 | ||||||
| LO-19AB-3B-Y-Z | 1100 | 350 | 19AB-3 | ||||||
|
Unbalanced poppet, pilot-to-close (spring biased closed, port 3 pilot source) | Main Code | Flow(l/min) | Pressure(bar) | Cavity | LO-11A-3C-Y-Z | 95 | 350 | 11A-3 |
| LO-2A-3C-Y-Z | 200 | 350 | 2A-3 | ||||||
| LO-20WA-3C-Y-Z | 303 | 350 | 20WA-3 | ||||||
| LO-17A-3C-Y-Z | 380 | 350 | 17A-3 | ||||||
| LO-19A-3C-Y-Z | 760 | 350 | 19A-3 | ||||||
| LO-19AB-3C-Y-Z | 1100 | 350 | 19AB-3 | ||||||
|
Unbalanced poppet, vent-to-open (spring biased closed, higher of ports 1 or 2 pilot source) | Main Code | Flow(l/min) | Pressure(bar) | Cavity | LO-11A-3D-Y-Z | 95 | 350 | 11A-3 |
| LO-2A-3D-Y-Z | 200 | 350 | 2A-3 | ||||||
| LO-17A-3D-Y-Z | 380 | 350 | 17A-3 | ||||||
| LO-19A-3D-Y-Z | 760 | 350 | 19A-3 | ||||||
| LO-19AB-3D-Y-Z | 1100 | 350 | 19AB-3 | ||||||
|
Unbalanced poppet, pilot-to-close (spring biased open, port 3 pilot source) | Main Code | Flow(l/min) | Pressure(bar) | Cavity | LO-11A-3E-Y-Z | 95 | 350 | 11A-3 |
| LO-2A-3E-Y-Z | 200 | 350 | 2A-3 | ||||||
| LO-17A-3E-Y-Z | 380 | 350 | 17A-3 | ||||||
| LO-19A-3E-Y-Z | 760 | 350 | 19A-3 | ||||||
| LO-19AB-3E-Y-Z | 1100 | 350 | 19AB-3 | ||||||
|
Unbalanced poppet, vent-to-open, switching element, main-stage with integral 08W-2 / 8A-2 control cavity (spring biased closed, pilot source from port 1) | Main Code | Flow(l/min) | Pressure(bar) | Cavity | LO-11A-3A-Y-8 | 95 | 350 | 11A-3 |
| LO-2A-3A-Y-8 | 200 | 350 | 2A-3 | ||||||
| LO-17A-3A-Y-8 | 380 | 350 | 17A-3 | ||||||
| LO-19A-3A-Y-8 | 760 | 350 | 19A-3 | ||||||
|
Unbalanced poppet, vent-to-open, switching element, main-stage with integral 08W-2 / 8A-2 control cavity (spring biased closed, pilot source from port 2) | Main Code | Flow(l/min) | Pressure(bar) | Cavity | LO-11A-3B-Y-8 | 95 | 350 | 11A-3 |
| LO-2A-3B-Y-8 | 200 | 350 | 2A-3 | ||||||
| LO-17A-3B-Y-8 | 380 | 350 | 17A-3 | ||||||
| LO-19A-3B-Y-8 | 760 | 350 | 19A-3 | ||||||
|
Unbalanced poppet, vent-to-open, switching element, main-stage with integral 08W-2 / 8A-2 control cavity (spring biased closed, higher of ports 1 or 2 pilot source) | Main Code | Flow(l/min) | Pressure(bar) | Cavity | LO-11A-3D-Y-8 | 95 | 350 | 11A-3 |
| LO-2A-3D-Y-8 | 200 | 350 | 2A-3 | ||||||
| LO-17A-3D-Y-8 | 380 | 350 | 17A-3 | ||||||
| LO-19A-3D-Y-8 | 760 | 350 | 19A-3 | ||||||
|
Spool type, normally open, modulating element | Main Code | Flow(l/min) | Pressure(bar) | Cavity | LP-163A-X-Y-Z | 30 | 350 | 163A-3 |
| LP-11A-X-Y-Z | 60 | 350 | 11A-3 | ||||||
| LP-2A-X-Y-Z | 120 | 350 | 2A-3 | ||||||
| LP-17A-X-Y-Z | 240 | 350 | 17A-3 | ||||||
| LP-19A-X-Y-Z | 480 | 350 | 19A-3 | ||||||
|
Spool type, normally open, pressure compensator element | Main Code | Flow(l/min) | Pressure(bar) | Cavity | LP-10W-X-Y-Z | 40 | 240 | 10W-3 |
|
High flow, spool type, normally open, modulating element | Main Code | Flow(l/min) | Pressure(bar) | Cavity | LP-2A-30-Y-Z-1 | 120 | 350 | 2A-3 |
| LP-17A-30-Y-Z-1 | 240 | 350 | 17A-3 | ||||||
|
Spool type, normally closed, modulating element | Main Code | Flow(l/min) | Pressure(bar) | Cavity | LR-163A-30-Y-Z | 30 | 350 | 163A-3 |
| LR-11A-X-Y-Z | 60 | 350 | 11A-3 | ||||||
| LR-2A-X-Y-Z | 120 | 350 | 2A-3 | ||||||
| LR-17A-X-Y-Z | 240 | 350 | 17A-3 | ||||||
| LR-19A-X-Y-Z | 480 | 350 | 19A-3 | ||||||
|
Spool type, normally closed, modulating element | Main Code | Flow(l/min) | Pressure(bar) | Cavity | LR-11A-36-Y-Z | 6 | 350 | 11A-3 |
|
Poppet type, normally closed, modulating element | Main Code | Flow(l/min) | Pressure(bar) | Cavity | LR-17A-X-Y-Z | 200 | 350 | 17A-3 |
|
Spool type, normally closed modulating element | Main Code | Flow(l/min) | Pressure(bar) | Cavity | LR-12WS-30-Y-Z | 150 | 350 | 12WS-3 |
|
Unbalanced poppet, pilot-to-close, spring biased closed, with position switch | Main Code | Flow(l/min) | Pressure(bar) | Cavity | LOS-2A-3C-Y-Z | 200 | 350 | 2A-3 |
|
Spool type, normally open, downstream pressure compensated | Main Code | Flow(l/min) | Pressure(bar) | Cavity | LP-27MC-36-Y-Z-05 | 150 | 250 | 27MC-3 |
